Product Summary
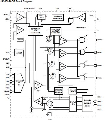
The ISL6556ACR is an Optimized Multi-Phase PWM Controller with 6-Bit DAC for VR10.X Application. The ISL6556ACR controls microprocessor core voltage regulation by driving up to 4 synchronous-rectified buck channels in parallel. The ISL6556ACR uses interleaved timing to multiply channel ripple frequency and reduce input and output ripple currents. Lower ripple results in fewer components, lower component cost, reduced power dissipation, and smaller implementation area. The ISL6556ACR utilizes rDS(ON) current sensing in each phase for adaptive voltage positioning (droop), channel-current balancing, and overcurrent protection. To ensure droop accuracy, an external NTC compensation circuit can be used to completely nullify the effect of temperature related variation in rDS(ON).
Parametrics
ISL6556ACR absolute maximum ratings: (1)Supply Voltage, VCC: +7V; (2)Input, Output, or I/O Voltage (except OVP): GND -0.3V to VCC +0.3V; (3)OVP Voltage: +15V; (4)ESD (Human body model): >4kV; (5)ESD (Machine model): >300V; (6)ESD (Charged device model): >2kV.
Features
ISL6556ACR features: (1)Precision Multi-Phase Core Voltage Regulation; (2)Differential Remote Voltage Sensing; (3)±0.5% System Accuracy Over Temperature and Life; (4)Adjustable Reference-Voltage Offset; (5)Precision rDS(ON) Current Sensing; (6)Accurate Load-Line Programming; (7)Accurate Channel-Current Balancing; (8)Low-Cost, Lossless Current Sensing; (9)Internal Shunt Regulator for 5V or 12V Biasing; (10)Microprocessor Voltage Identification Input; (11)Dynamic VID Technology; (12)6-Bit VID Input; (13)0.8375V to 1.600V in 12.5mV Steps; (14)Threshold Enable Function for Precision Sequencing; (15)Overcurrent Protection; (16)Overvoltage Protection; (17)No Additional External Components Needed; (18)OVP Pin to drive optional Crowbar Device; (19)2, 3, or 4 Phase Operation up to 1.5MHz per Phase; (20)QFN Package Option; (21)QFN Compliant to JEDEC PUB95 MO-220 QFN - Quad Flat No Leads - Product Outline; (22)QFN Near Chip Scale Package Footprint; Improves PCB Efficiency, Thinner in Profile; (23)Pb-free Available (RoHS Compliant).
Diagrams

| Image | Part No | Mfg | Description | ![]() |
Pricing (USD) |
Quantity | ||||||
|---|---|---|---|---|---|---|---|---|---|---|---|---|
![]() |
![]() ISL6556ACR |
![]() |
![]() IC CTRLR MULTIPHASE VRM10 32-QFN |
![]() Data Sheet |
![]() Negotiable |
|
||||||
![]() |
![]() ISL6556ACR-T |
![]() |
![]() IC CTRLR MULTIPHASE VRM10 32-QFN |
![]() Data Sheet |
![]() Negotiable |
|
||||||
![]() |
![]() ISL6556ACRZ |
![]() |
![]() IC CTRLR MULTIPHASE VRM10 32-QFN |
![]() Data Sheet |
![]()
|
|
||||||
![]() |
![]() ISL6556ACRZ-T |
![]() |
![]() IC CTRLR MULTIPHASE VRM10 32-QFN |
![]() Data Sheet |
![]()
|
|
||||||
(China (Mainland))










