Product Summary
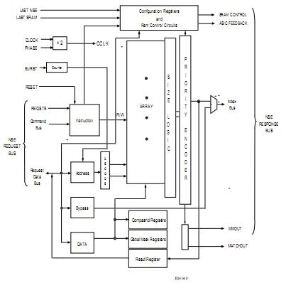
The 75K62100-S100BX is a network search engine. It is a high performance pipelined low-power, synchronous full-ternary 128K x 72 entry device. Each entry location in the NSE has both a Data entry and an associated Mask entry. The 75K62100-S100BX has a bi-directional bus that is a multiplexed address and data bus that can support 100 million sustained searches per second. The 75K62100-S100BX provides array segments which can be configured to enable multiple width lookups from 36 to 576 bits wide.
Parametrics
75K62100-S100BX general specifications: (1)Package:372SBGA ; (2)Power Supply Type:Analog ; (3)Typical Operating Supply Voltage:1.2 V.
Features
75K62100-S100BX features: (1)Full Ternary 128K x 72 bit content addressable memory; (2)Compatible to 64K x 72 NSE; (3)Power Management; (4)Increased Global Mask Registers implementation; (5)Segments individually configurable; (6)36/72/144/288/576 multiple width lookups; (7)100M sustained lookups per second at 72 and 144 width lookups; (8)Burst write for high speed table updates; (9)Enhanced Multi-match features; (10)Learn new entries; (11)Next Free Address Registers; (12)Dual bus interface; (13)Cascadable to 8 devices with no glue logic or latency penalty; (14)Glueless interface to standard ZBT or Synchronous Pipelined Burst SRAMs; (15)Boundary Scan JTAG Interface (IEEE 1149.1compliant); (16)1.2V core power supply; (17)2.5V I/O supply.
Diagrams

![]() |
![]() 75K62213S100BB |
![]() Other |
![]() |
![]() Data Sheet |
![]() Negotiable |
|
||||
![]() |
![]() 75K62213S100BBI |
![]() Other |
![]() |
![]() Data Sheet |
![]() Negotiable |
|
||||
![]() |
![]() 75K62213S104BB |
![]() Other |
![]() |
![]() Data Sheet |
![]() Negotiable |
|
||||
![]() |
![]() 75K62134S200BBG |
![]() Other |
![]() |
![]() Data Sheet |
![]() Negotiable |
|
||||
![]() |
![]() 75K62134S200BB |
![]() Other |
![]() |
![]() Data Sheet |
![]() Negotiable |
|
||||
![]() |
![]() 75K62134S167BBI |
![]() Other |
![]() |
![]() Data Sheet |
![]() Negotiable |
|
||||
(China (Mainland))








