Product Summary
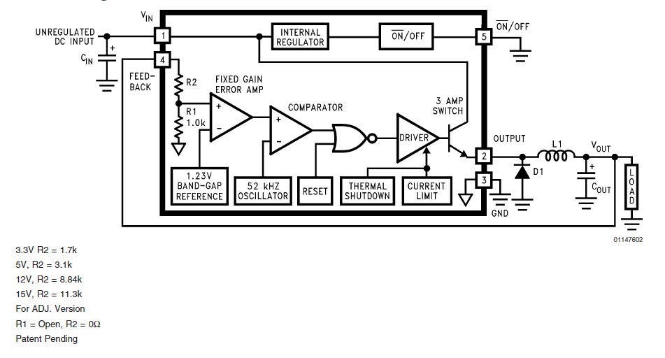
The LM2576HVT-5.0 is a 3A Step-Down Voltage Regulator that provides all the active functions for a step-down(buck) switching regulator, capable of driving 3A load with excellent line and load regulation. The LM2576HVT-5.0 is available in fixed output voltages of 3.3V, 5V, 12V, 15V, and an adjustable output version. The applications of the LM2576HVT-5.0 include: (1)Simple high-efficiency step-down (buck) regulator; (2)Efficient pre-regulator for linear regulators; (3)On-card switching regulators; (4)Positive to negative converter (Buck-Boost).
Parametrics
LM2576HVT-5.0 absolute maximum ratings: (1)Maximum Supply Voltage: 63V; (2)ON/OFF Pin Input Voltage: 0.3V≤V≤+VIN; (3)Output Voltage to Ground(Steady State): -1V; (4)Power Dissipation: Internally Limited; (5)Storage Temperature Range: -65℃ to +150℃; (6)Maximum Junction Temperature: 150℃; (7)Minimum ESD Rating(C=100pF, R=1.5kΩ): 2kV; (8)Lead Temperature(Soldering, 10 Seconds): 260℃.
Features
LM2576HVT-5.0 features: (1)3.3V, 5V, 12V, 15V, and adjustable output versions; (2)Adjustable version output voltage range, 1.23V to 37V (57V for HV version) ±4% max over line and load conditions; (3)Guaranteed 3A output current; (4)Wide input voltage range, 40V up to 60V for HV version; (5)Requires only 4 external components; (6)52 kHz fixed frequency internal oscillator; (7)TTL shutdown capability, low power standby mode; (8)High efficiency; (9)Uses readily available standard inductors; (10)Thermal shutdown and current limit protection; (11)P+ Product Enhancement tested.
Diagrams

| Image | Part No | Mfg | Description | ![]() |
Pricing (USD) |
Quantity | ||||||||||||
|---|---|---|---|---|---|---|---|---|---|---|---|---|---|---|---|---|---|---|
![]() |
![]() LM2576HVT-5.0 |
![]() National Semiconductor (TI) |
![]() Switching Converters, Regulators & Controllers |
![]() Data Sheet |
![]()
|
|
||||||||||||
![]() |
![]() LM2576HVT-5.0/LB03 |
![]() National Semiconductor (TI) |
![]() Switching Converters, Regulators & Controllers |
![]() Data Sheet |
![]()
|
|
||||||||||||
![]() |
![]() LM2576HVT-5.0/NOPB |
![]() National Semiconductor (TI) |
![]() Switching Converters, Regulators & Controllers 3A STEP-DOWN VLTG REG |
![]() Data Sheet |
![]()
|
|
||||||||||||
![]() |
![]() LM2576HVT-5.0/LF03 |
![]() National Semiconductor (TI) |
![]() Switching Converters, Regulators & Controllers |
![]() Data Sheet |
![]()
|
|
||||||||||||
![]() |
![]() LM2576HVT-5.0/LF02 |
![]() National Semiconductor (TI) |
![]() Switching Converters, Regulators & Controllers |
![]() Data Sheet |
![]()
|
|
||||||||||||
(China (Mainland))










