Product Summary
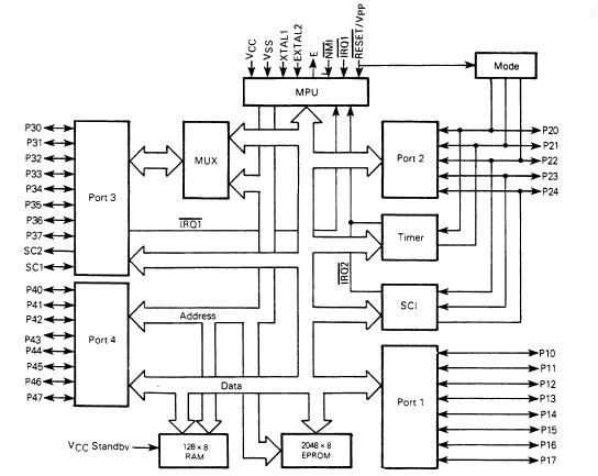
The SM8952AC25PP product is an 8-bit single chip micro controller with 4/8 KB flash embedded. The SM8952AC25PP provides hard-ware features and a powerful instruction set, necessary to make it a versatile and cost effective controller for those applications demand up to 32 I/O pins or need up to 4/8 KB flash memory either for program or for data or mixed. To program the flash block, a commercial programmer is capable to do it.
Parametrics
SM8952AC25PP absolute maximum ratings: (1)TA Operating temperature: -40 to 85 ℃; (2)VCC5 Supply voltage: 4.5 to 5.5 V; (3)VCC3 Supply voltage: 3 to 3.6 V; (4)Fosc 25 Oscillator Frequency: 3.0 to 25 MHz; (5)Fosc 40 Oscillator Frequency: 3.0 to 40 MHz.
Features
SM8952AC25PP features: (1)Working Voltage: 3.0V ~ 3.6V For L Version. 4.5V ~ 5.5V For C Version.; (2)General 8052 family compatible; (3)12 clocks per machine cycle; (4)4/8K internal flash memory; (5)256 bytes data RAM; (6)2/3 16 bit timers/counters; (7)Four 8-bit I/O ports; (8)Full duplex serial channel; (9)Bit operation instruction; (10)Industrial Level; (11)8-bit unsigned division; (12)8-bit unsigned multiply; (13)BCD arithmetic; (14)Direct addressing; (15)Indirect addressing; (16)Nested interrupt; (17)Two priority level interrupt; (18)A serial I/O port; (19)Power save modes: Idle mode and Power down mode; (20)Code protection function.
Diagrams

![]() |
![]() SM89516A |
![]() Other |
![]() |
![]() Data Sheet |
![]() Negotiable |
|
||||
![]() |
![]() SM8951A |
![]() Other |
![]() |
![]() Data Sheet |
![]() Negotiable |
|
||||
![]() |
![]() SM8952A |
![]() Other |
![]() |
![]() Data Sheet |
![]() Negotiable |
|
||||
![]() |
![]() SM8954A |
![]() Other |
![]() |
![]() Data Sheet |
![]() Negotiable |
|
||||
![]() |
![]() SM8958A |
![]() Other |
![]() |
![]() Data Sheet |
![]() Negotiable |
|
||||
![]() |
![]() SM8958C40 |
![]() Other |
![]() |
![]() Data Sheet |
![]() Negotiable |
|
||||
(China (Mainland))








