Product Summary
The 7MBP300RA060 is the IGBT-IPM.
Parametrics
7MBP300RA060 absolute maximum ratings: (1)DC bus voltage: 0 to 450V; (2)DC bus voltage (surge): 0 to 500V; (3)DC bus voltage (short operating): 200 to 400V; (4)Collector-Emitter voltage: 0 to 600V; (5)DB Reverse voltage: 600V; (6)Storage temperature: -40 to 125℃; (7)Operating case temperature: -20 to 100℃.
Features
7MBP300RA060 features: (1)Temperature protection provided by directly detecting the junction temperature of the IGBTs; (2)Low power loss and soft switching; (3)High performance and high reliability IGBT with overheating protection; (4)Higher reliability because of a big decrease in number of parts in built-in control circuit.
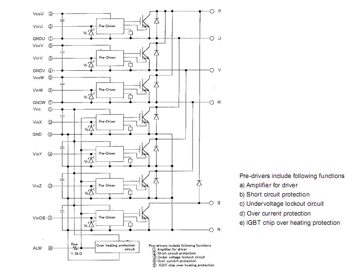
Diagrams

![]() |
![]() 7MBP100RA060 |
![]() Other |
![]() |
![]() Data Sheet |
![]() Negotiable |
|
||||
![]() |
![]() 7MBP100RTB060 |
![]() Other |
![]() |
![]() Data Sheet |
![]() Negotiable |
|
||||
![]() |
![]() 7MBP100TEA060 |
![]() Other |
![]() |
![]() Data Sheet |
![]() Negotiable |
|
||||
![]() |
![]() 7MBP150RA060 |
![]() Other |
![]() |
![]() Data Sheet |
![]() Negotiable |
|
||||
![]() |
![]() 7MBP150RTB060 |
![]() Other |
![]() |
![]() Data Sheet |
![]() Negotiable |
|
||||
![]() |
![]() 7MBP25RA120 |
![]() Other |
![]() |
![]() Data Sheet |
![]() Negotiable |
|
||||
(China (Mainland))








