Product Summary
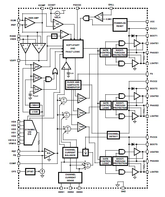
The ISL6566CRZ three-phase PWM control IC provides a precision voltage regulation system for advanced microprocessors. The integration of power MOSFET drivers into the controller IC marks a departure from the separate PWM controller and driver configuration of previous multiphase product families. By reducing the number of external parts, this integration is optimized for a cost and space saving power management solution. Outstanding features of the ISL6566CRZ include programmable VID codes compatible with Intel VRM9, VRM10, as well as AMD Hammer microprocessors.
Parametrics
ISL6566CRZ absolute maximum ratings: (1)Supply Voltage, VCC: -0.3V to +6V; (2)Supply Voltage, PVCC: -0.3V to +15V; (3)Absolute Boot Voltage, VBOOT: GND - 0.3V to GND + 36V; (4)Phase Voltage, VPHASE: GND - 0.3V to 15V (PVCC = 12); (5)Upper Gate Voltage, VUGATE: VPHASE - 0.3V to VBOOT + 0.3V; (6)Lower Gate Voltage, VLGATE: GND - 0.3V to PVCC + 0.3V; (7)Input, Output, or I/O Voltage: GND - 0.3V to VCC + 0.3V; (8)ESD Classification: Class I JEDEC STD.
Features
ISL6566CRZ features: (1)Integrated Multi-Phase Power Conversion: 1, 2, or 3-Phase Operation; (2)Accurate Load Line Programming: Uses Loss-Less Inductor DCR Current Sampling; (3)Variable Gate Drive Bias: 5V to 12V; (4)Overcurrent Protection; (5)Multi-tiered Overvoltage Protection; (6)Digital Soft-Start; (7)Selectable Operation Frequency up to 1.5MHz Per Phase; (8)Pb-Free Plus Anneal Available (RoHS Compliant).
Diagrams

| Image | Part No | Mfg | Description | ![]() |
Pricing (USD) |
Quantity | ||||||
|---|---|---|---|---|---|---|---|---|---|---|---|---|
![]() |
![]() ISL6566CRZ |
![]() |
![]() IC CTRLR PWM BUCK 3PHASE 40QFN |
![]() Data Sheet |
![]() Negotiable |
|
||||||
![]() |
![]() ISL6566CRZA |
![]() Intersil |
![]() IC CTRLR PWM BUCK 3PHASE 40-QFN |
![]() Data Sheet |
![]()
|
|
||||||
![]() |
![]() ISL6566CRZAR5184 |
![]() |
![]() IC CTRLR PWM 3PHASE BUCK 40-QFN |
![]() Data Sheet |
![]()
|
|
||||||
![]() |
![]() ISL6566CRZA-TR5184 |
![]() |
![]() IC CTRLR PWM 3PHASE BUCK 40-QFN |
![]() Data Sheet |
![]()
|
|
||||||
![]() |
![]() ISL6566CRZR5184 |
![]() |
![]() IC CTRLR PWM 3PHASE BUCK 40-QFN |
![]() Data Sheet |
![]()
|
|
||||||
![]() |
![]() ISL6566CRZA-T |
![]() Intersil |
![]() IC CTRLR PWM BUCK 3PHASE 40-QFN |
![]() Data Sheet |
![]()
|
|
||||||
![]() |
![]() ISL6566CRZ-TR5184 |
![]() |
![]() IC CTRLR PWM 3PHASE BUCK 40-QFN |
![]() Data Sheet |
![]()
|
|
||||||
![]() |
![]() ISL6566CRZ-T |
![]() |
![]() IC CTLR PWM BUCK 3PHASE 40-QFN |
![]() Data Sheet |
![]() Negotiable |
|
||||||
(China (Mainland))










