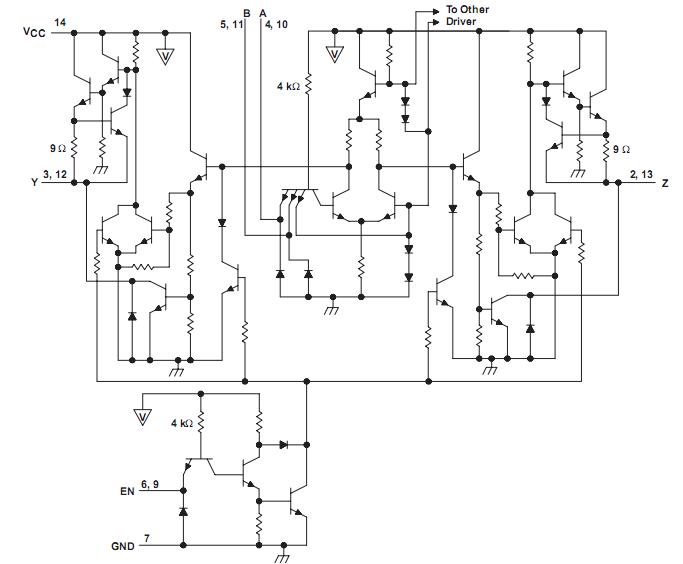
Product Summary
The SN75159N is a dual differential line driver with 3-state outputs. The SN75159N is designed to provide all the features of the SN75158 line driver with the added feature of driver output controls. There is an individual control for the SN75159N. When the output control is low, the associated outputs are in a high-impedance state and the outputs can neither drive nor load the bus. This permits many devices to be connected together on the same transmission line for party-line applications.
Parametrics
SN75159N absolute maximum ratings: (1)Supply voltage:7 V; (2)Input voltage:5.5 V; (3)Off-state voltage applied to open-collector outputs:12 V; (4)Operating free-air temperature range:0℃ to 70℃; (5)Storage temperature range:–65℃ to 150℃; (6)Lead temperature 1,6 mm (1/16 inch) from case for 10 seconds:260℃.
Features
SN75159N features: (1)Meets or Exceeds the Requirements of ANSI EIA/TIA-422-B and ITU Recommendation V.11; (2)Single 5-V Supply; (3)Balanced Line Operation; (4)TTL Compatible; (5)High-Impedance Output State for Party-Line Applications; (6)High-Current Active-Pullup Outputs; (7)Short-Circuit Protection; (8)Dual Channels; (9)Clamp Diodes at Inputs.
Diagrams

| Image | Part No | Mfg | Description | ![]() |
Pricing (USD) |
Quantity | ||||||||||||
|---|---|---|---|---|---|---|---|---|---|---|---|---|---|---|---|---|---|---|
![]() |
![]() SN75159N |
![]() Texas Instruments |
![]() Buffers & Line Drivers Dual Diff Line Rec |
![]() Data Sheet |
![]()
|
|
||||||||||||
![]() |
![]() SN75159NE4 |
![]() Texas Instruments |
![]() Bus Transmitters Dual Diff Line Rec |
![]() Data Sheet |
![]()
|
|
||||||||||||
![]() |
![]() SN75159NSRG4 |
![]() Texas Instruments |
![]() Bus Transmitters Dual Differential Line Driver |
![]() Data Sheet |
![]() Negotiable |
|
||||||||||||
![]() |
![]() SN75159NSR |
![]() Texas Instruments |
![]() Bus Transmitters Dual Differential Line Driver |
![]() Data Sheet |
![]() Negotiable |
|
||||||||||||
![]() |
![]() SN75159NSRE4 |
![]() Texas Instruments |
![]() Bus Transmitters Dual Differential Line Driver |
![]() Data Sheet |
![]() Negotiable |
|
||||||||||||
(China (Mainland))









